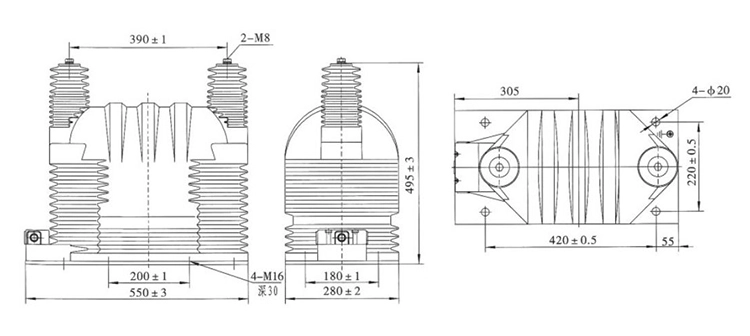
Potensi Trafo PT
Trafo Potensial Fase Tunggal Tegangan Tinggi 33kv
  • Trafo Potensial Fase Tunggal Tegangan Tinggi 33kvTrafo Potensial Fase Tunggal Tegangan Tinggi 33kv

Trafo Potensial Fase Tunggal Tegangan Tinggi 33kv

Wenzhou XiFa Electric Power Equipment Co, Ltd adalah manufaktur berpengalaman untuk memproduksi trafo potensial fase tunggal tegangan tinggi 33kv dan trafo arus. Wenzhou XiFa menggunakan resin berkualitas tinggi untuk mencapai kinerja insulasi yang lebih baik, seperti pengoperasian jangka panjang di bawah tegangan tinggi tanpa kerusakan atau pelepasan sebagian. Setiap transformator potensial fase tunggal tegangan tinggi 33kv diperlukan untuk mencetak resin epoksi dalam kondisi vakum untuk mencapai masa pakai yang lebih lama hingga 20 atau 30 tahun. Sebelum pengiriman, spesifikasi teknis dasar penting untuk diukur seperti tegangan tahan frekuensi daya, pelepasan sebagian, resistansi isolasi, akurasi, polaritas, dan kenaikan suhu.

Fitur Produk:

1. Secara struktural, transformator potensial satu fasa tegangan tinggi 33kv dapat dianggap sebagai transformator daya berkapasitas kecil dan rasio step down yang tinggi. Namun, tidak seperti transformator daya,  atransformator potensialtidak mentransfer energi untuk suplai beban. Sebaliknya, ia memainkan peran penting dalam pengukuran dan perlindungan.

2. Rangkaian sekunder dihubungkan ke alat ukur, relai pelindung, dan perangkat otomatis yang kumparan tegangannya mempunyai impedansi yang sangat tinggi dan pada dasarnya konstan. Akibatnya, arus sekunder menjadi minimal, mirip dengan kondisi tanpa beban pada transformator daya. Konsumsi daya transformator potensial satu fasa tegangan tinggi 33kv sangat rendah, dan tegangan sekunder praktis tetap sama dengan EMF induksi, yang ditentukan oleh tegangan primer konstan. Ini memastikan tingkat akurasi yang diperlukan untuk pengukuran tegangan.

3. Gulungan sekunder transformator potensial tidak boleh dihubung pendek. Dalam operasi normal, beban transformator potensial satu fasa tegangan tinggi 33kv adalah perangkat impedansi tinggi, tetapi jika terjadi korsleting, satu-satunya faktor pembatas adalah impedansi belitan. Hal ini dapat menyebabkan arus hubung singkat yang terlalu tinggi, menyebabkan pembacaan meter yang salah, pengoperasian relai yang salah, atau bahkan kerusakan permanen pada trafo daya.

4. Terminal belitan sekunder dan belitan urutan nol harus dibumikan. Jika tidak dibumikan, gangguan pada sistem primer dapat menyebabkan tegangan tinggi yang berbahaya pada belitan ini, yang menimbulkan risiko serius terhadap instrumen yang terhubung, relai, dan keselamatan personel.

33kv High Voltage Single Phase Potential Transformer

Spesifikasi Teknis:

Jenis Rasio Tegangan Terukur (kV) Kelas Akurasi Kelas Akurasi dan Nilai keluaran cosΦ=0,8 Maks. Keluaran (VA)
0.2 0.5 1 3
JDZ9-35Q 35/0.1 0,2 0,5 1 3 30 120 240 600 1200
35/0.1/0.1 0,2/0,2(0,5) 30 30 T/A T/A 600
0,5/0,5 T/A 60

33kv High Voltage Single Phase Potential Transformer

Pertanyaan Umum Produk:

T: Berapa beban pengenal transformator potensial satu fasa tegangan tinggi 33kv?

A: Nilai beban umumnya berkisar antara 25 VA hingga 200 VA tergantung pada aplikasinya. Ini memastikan akurasi yang stabil untuk alat ukur dan relai proteksi tanpa membebani transformator secara berlebihan.


T: Bagaimana transformator potensial satu fasa tegangan tinggi 33kv dibumikan?

J: Gulungan sekunder biasanya dibumikan pada satu titik untuk mempertahankan potensial referensi dan untuk memastikan keamanan. ini membantu menghindari tegangan mengambang dan mengurangi risiko kegagalan isolasi.


T: Dapatkah PT satu fasa dihubungkan untuk pengukuran tiga fasa?

J: Tentu saja. Untuk sistem tiga fasa, tiga PT satu fasa dapat dihubungkan dalam susunan bintang atau delta terbuka, yang bergantung pada apakah tegangan fasa ke fasa penuh dan tegangan fasa ke tanah perlu dipantau atau tidak.




Tag Panas: Pemasok Trafo Potensial Satu Fasa Tegangan Tinggi 33kv, Grosir Trafo Satu Fasa Tegangan Tinggi, Produsen Trafo Potensial Industri
mengirimkan permintaan
Info kontak

Untuk mendapatkan penawaran Anda secepatnya

XiFa-pemasok peralatan listrik terpercaya Anda
X
Kami menggunakan cookie untuk menawarkan Anda pengalaman penelusuran yang lebih baik, menganalisis lalu lintas situs, dan mempersonalisasi konten. Dengan menggunakan situs ini, Anda menyetujui penggunaan cookie kami. Kebijakan Privasi
Menolak Menerima