Potensi Trafo PT
Trafo Potensial Satu Fasa 13,8 Kv di Gardu Induk
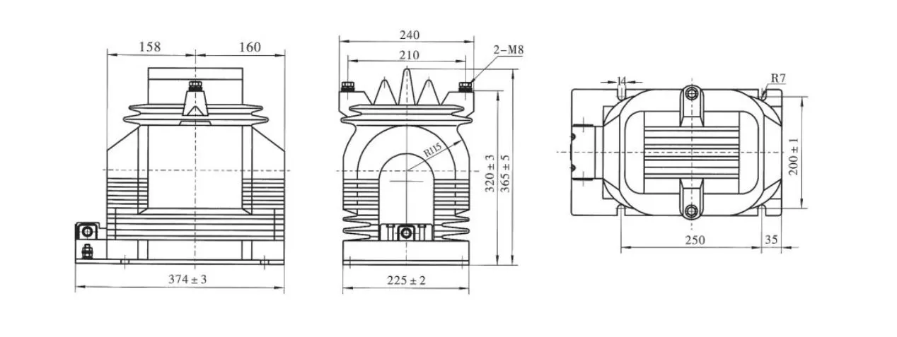
  • Trafo Potensial Satu Fasa 13,8 Kv di Gardu IndukTrafo Potensial Satu Fasa 13,8 Kv di Gardu Induk

Trafo Potensial Satu Fasa 13,8 Kv di Gardu Induk

Untuk menghasilkan transformator potensial fase tunggal 13,8 kv yang andal di gardu induk, Wenzhou XiFa Electric Power Equipment Co., Ltd mengadopsi baja listrik CRGO premium sebagai bahan utama inti untuk mengurangi nilai kerugian dan meningkatkan kelas akurasi, dan kawat tembaga berenamel berkekuatan tinggi sebagai bahan utama kumparan untuk memastikan rasio belokan dan insulasi belokan ke belokan melalui belitan presisi. Terlebih lagi, setiap trafo potensial fasa tunggal 13,8 kv di gardu induk mengadopsi proses produksi pengecoran vakum resin epoksi untuk membuat struktur padat secara keseluruhan yang tidak mudah menyerap kelembapan, sehingga cocok untuk lingkungan yang panas, lembab, dan berdebu.

Fitur Produk:

Trafo Potensial Satu Fasa 13,8 Kv di Gardu Induk dirancang untuk menurunkan tegangan primer 13,8 kv menjadi tegangan sekunder standar, seperti 100 atau 110 volt. Tegangan yang dikurangi kemudian disuplai ke belitan paralel untuk mengukur instrumen dan relai pelindung, memungkinkan pengukuran tegangan primer dilakukan secara tidak langsung dengan instrumen tegangan rendah. Pendekatan seperti ini menyederhanakan desain instrumen, menghemat biaya, dan menjamin keselamatan peralatan dan personel pengoperasian.


Prinsip kerja trafo potensial satu fasa 13,8 kv sama dengan trafo distribusi tenaga listrik, dimana perbandingan transformasinya ditentukan oleh jumlah lilitan pada kumparan primer dan sekunder. Menambah jumlah lilitan sekunder akan menurunkan rasio, sedangkan menambah jumlah lilitan primer akan menaikkan rasio. Penting untuk dicatat bahwa dalam keadaan apa pun rangkaian sekunder transformator potensial fasa tunggal 13,8 kv tidak boleh dihubung pendek selama pengoperasian.

13 8 Kv Single Phase Potential Transformer In Substation

Spesifikasi Teknis:

Jenis Rasio Tegangan Terukur (kV) Kelas Akurasi Kelas Akurasi dan Nilai keluaran cosΦ=0,8 Maks. Keluaran (VA)
0.2 0.5 1 6(P)
JDZ11-15 (15/√3)/(0,1/√3)/(0,1/3) 0,2/6P 0,5/6P 1/6P 30 80 150 100 400
JDZ11-20 (20/√3)/(0,1/√3)/(0,1/3)
JDZ11-15 (15/√3)/(0,1/√3)/(0,1/√3)/(0,1/3) 0,2/0,2/6P 0,2/0,5/6P 15 20 T/A 100 2*200
JDZX11-20 (20/√3)/(0,1/√3)/(0,1/√3)/(0,1/3)

13 8 Kv Single Phase Potential Transformer In Substation

Pertanyaan Umum Produk:

T: Apa perbedaan trafo potensial satu fasa 13,8 kv dengan trafo daya 13,8 kv?

J: Meskipun keduanya merupakan perangkat pengubah tegangan, transformator potensial satu fasa 13,8 kv dirancang untuk pengukuran dan perlindungan, bukan untuk transfer daya. Nilai bebannya relatif kecil, biasanya dinyatakan dalam VA, sedangkan transformator daya menangani beban dalam nilai yang lebih besar yang dihitung dalam kVA atau MVA.


Q: Metode isolasi apa yang digunakan pada transformator potensial fasa tunggal 13,8 kv?

J: Kebanyakantransformator potensialpada tingkat voltase ini gunakan insulasi cor resin epoksi untuk servis di dalam ruangan atau rumah porselen/silikon untuk pemasangan di luar ruangan. Beberapa desain menggunakan insulasi terendam oli untuk mencapai masa pakai yang lebih lama dan kapasitas termal yang lebih tinggi.


Q: Bagaimana cara menghubungkan trafo potensial satu fasa 13,8 kV di gardu induk?

A: Untuk pengukuran fasa ke tanah, primer PT dihubungkan antara satu fasa dan tanah. Dalam sistem tiga fasa, satu set PT satu fasa atau unit PT tiga fasa dapat digunakan untuk mengukur tegangan saluran ke saluran dan saluran ke tanah.


T: Masalah apa yang dapat timbul dengan trafo potensial satu fasa 13,8 kV di gardu induk?

J: Masalah umum meliputi degradasi insulasi, feroresonansi pada kondisi peralihan tertentu, panas berlebih karena beban berlebih, dan kondisi sirkuit terbuka sekunder yang dapat menyebabkan tegangan tinggi yang berbahaya.



Tag Panas: Trafo Potensial Satu Fasa 13,8 Kv di Supplier Gardu Induk, Grosir Trafo Potensial Gardu Induk
mengirimkan permintaan
Info kontak

Untuk mendapatkan penawaran Anda secepatnya

XiFa-pemasok peralatan listrik terpercaya Anda
X
Kami menggunakan cookie untuk menawarkan Anda pengalaman penelusuran yang lebih baik, menganalisis lalu lintas situs, dan mempersonalisasi konten. Dengan menggunakan situs ini, Anda menyetujui penggunaan cookie kami. Kebijakan Privasi
Menolak Menerima